При оформлении заказа, Вы сообщаете менеджеру ТОО «КАСТОН» о необходимости заключения Договора. ТОО «КАСТОН» предоставляет на рассмотрение свой шаблон, либо принимает на рассмотрение Ваш.
Описание
Среда применения
- Жидкие среды: вода, растворы, светлые нефтепродукты и иные жидкие среды, в том числе и агрессивные, за исключением коррозионно-активных к стали 12Х18Н10Т и AISI 316L.
- Отличительные особенности
- Сигнализация от 1 до 3 уровней жидкости.
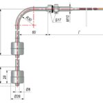
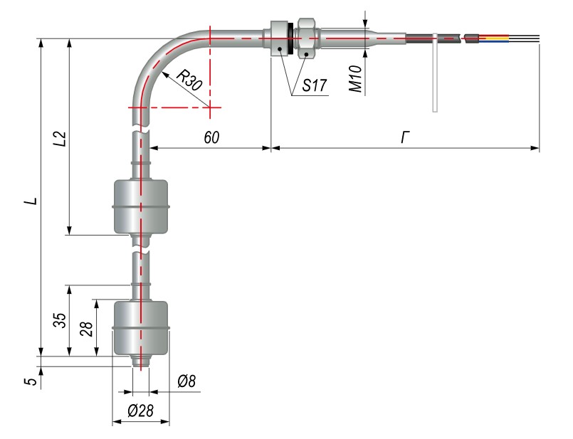
- Длина штока от 50 мм до 3 метров.
- Присоединение: резьба М10×1 (ПДУ-1, ПДУ-2), М16×2 (ПДУ-3), G1, G2; CLAMP в соответствие с DIN 43650 А (DN = 40, 65, 80, 100 мм).
- Устойчивы к пене и пузырькам.
- Подходят для работы с вязкими жидкостями (ПДУ-3).
- Материал рабочей части датчика: сталь 12Х18Н10Т и AISI 316L.
- Для подключения к АСУ ТП датчики ОВЕН ПДУ снабжены силиконовым кабелем AWG 24 длиной от 1 до 120 метров, ОВЕН ПДУ-Н снабжены электрическим разъемом стандарта DIN 43650 A.
- Для контроля уровня невязких жидкостей выпускаются датчики уровня с цилиндрическим поплавком ПДУ-1, ПДУ-2, для контроля уровня вязких жидкостей – с шарообразным поплавком ПДУ-3. По способу монтажа различают датчики с горизонтальным и вертикальным монтажом.
Технические характеристики
- Количество уровней: 2;
- Максимальный коммутируемый (постоянный или переменный) ток: 0,5А;
- Максимальное коммутируемое (постоянное или переменное) напряжение: 180В;
- Максимальная коммутируемая мощность: 10Вт;
- Cостояние контактов датчика в нижнем положении поплавка: Нормально-открытое (верхний уровень), нормально-закрытое (нижний уровень);
- Температура контролируемой среды: -40…+105;
- Давление контролируемой среды: 1,6МПа;
- Материал рабочей части датчика: Сталь 12Х18Н10Т (шток), и AISI 316L (поплавок);
- Степень защиты по ГОСТ 14254: IP68 (погружная часть), IP65 (внешняя часть);
- Длина кабельного вывода: 2м;
Модификации
Характеристики
1515×100×28
Сталь 12Х18Н10Т (шток), и AISI 316L (поплавок)
Кастон — самый выгодный частотный привод!
- Выгодная цена
- Самый большой выбор со склада в Казахстане
- Свой сервисный центр, полная техподдержка навсегда
- Возврат или замена за наш счет
- Бесплатная доставка из рук в руки
Способы оплаты
- Безналичный перевод по выставленному счету на оплату
- Безналичный перевод с банковской карты
- Наличный расчет в нашем офисе при получении товара
Бухгалтерские документы высылаем с товаром. В случае оплаты безналичным расчетом доставка товара производится после подтверждения транзакции банком ТОО «КАСТОН». После получения подтверждения с Вами свяжется наш менеджер.
В случае возникновения вопросов, пожалуйста, обращайтесь любым удобным для Вас способом по указанным контактам.
Бухгалтерские документы предоставляются по всем оплаченным заказам.
При физической доставке товара, бухгалтерские документы Вы получите вместе с товаром.
В случае, если по каким-либо причинам не удалось передать документы вместе с товаром, документы высылаем на почтовый адрес, указанный при оформлении.
Прием онлайн-заказов осуществляется круглосуточно.
Обработка заказов и физическая доставка осуществляются по рабочим дням, с 9 до 18 часов (по времени Нур-Султан).
Способы доставки
- Самовывоз (бесплатно)
- Курьерская доставка*
- Общественным транспортом (автобус, такси)*
*— доставка осуществляется бесплатно по Республике Казахстан.
- В случае непредвиденных обстоятельств, мешающих Вам получить заказ в выбранное время, необходимо связаться с нами по указанным контактам и определить другое время доставки.
- Если оператор не может дозвониться по указанному Вами телефону в течение 5-ти рабочих дней, Ваш заказ аннулируется. В случае невозможности дождаться звонка, пожалуйста, свяжитесь с нами самостоятельно по указанным контактам.
По договоренности с менеджером ТОО «КАСТОН» Вы сможете забрать свой заказ по адресу: город Караганда, ул. Памирская 48. Обратите внимание, что необходимо заранее сообщить о своем прибытии.
— Курьерская служба оставляет за собой право проверять правильность указанной Клиентом контактной информации.
— Курьер не уполномочен давать какие-либо консультации на технические или коммерческие темы, а также выполнять любые поручения клиента.
— Разгрузка и подъем габаритного груза осуществляется силами Заказчика, либо по договоренности с менеджером ТОО «КАСТОН»
— При получении товара в транспортной компании просьба предельно внимательно отнестись к проверке качества товара, а также к проверке на соответствие получаемого оборудования товарной накладной.
— В случае обнаружения механических повреждений и/или несоответствия количеству позиций товарной накладной необходимо составить коммерческий акт с подробной описью полученного товара. Составление коммерческого акта – непосредственная обязанность сотрудников транспортной компании. Копию акта вместе с подробными фотографиями необходимо в кратчайшие сроки (1-2 дня) отправить на info@kaston.kz, а также на почту вашего персонального менеджера.
— Претензии по поставке оборудования принимаются в срок не более 2 (двух) рабочих дней с момента получения оборудования.
Обращаем ваше внимание, что осуществление доставки – отдельная услуга, не являющаяся неотъемлемой частью приобретаемого Покупателем товара, выполнение которой заканчивается в момент получения клиентом товара и его оплаты.
Претензии к качеству приобретенного товара, возникшие после этого, рассматриваются в соответствии с Законом РК «О защите прав потребителей» и гарантийными обязательствами Продавца товара. В связи с этим приобретение товара с доставкой не дает Покупателю права требования доставки приобретенного товара в целях гарантийного обслуживания или замены, не дает возможности осуществлять гарантийное обслуживание или замену товара посредством выезда к Покупателю и не подразумевает возможности возврата стоимости доставки товара в случаях, когда Покупатель имеет право на возврат денег за товар как таковой, в соответствии с Законом РК «О защите прав потребителей».
При получении товара юридическими лицами необходима доверенность на право получения товарно-материальных ценностей (ТМЦ) на представителя покупателя при предъявлении документа, удостоверяющего личность.
При получении товара индивидуальными предпринимателями необходима печать или копия свидетельства о регистрации предпринимателя, копия удостоверения личности предпринимателя.
При получении товара доверенным лицом ИП, необходим оригинал доверенности, оформленной на лицо, получающее товар, копия свидетельства о регистрации предпринимателя, копия удостоверения личности предпринимателя, удостоверение личности доверенного лица.
При получении товара физическими лицами обязательным является предъявление удостоверения личности покупателя.
Документы
технологическое решение для вашего бизнеса.







